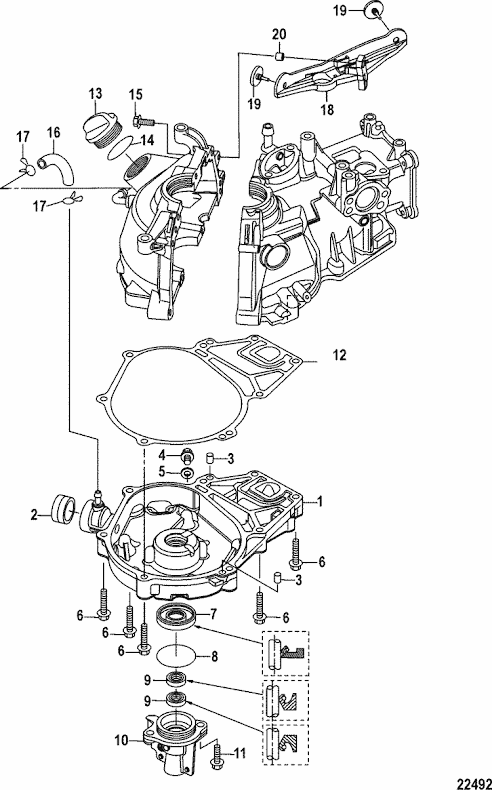
Packbox vevaxel Tohatsu
Lägg till en bevakning så meddelar vi dig så snart varan är i lager igen.
Packbox vevaxel Tohatsu
Packbox vevaxel Tohatsu MFS 2,5 - MFS 3,5 hk, 4-takt
Nr 9 i bild 2.
2 st åtgår per motor
Samma som Mercury art 898101298
Fri frakt över 2000kr
30 dagars öppet köp
Snabba leveranser
