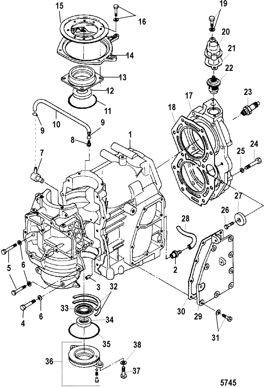
Reservdelar Motordelar Tohatsu Packbox vevaxel Tohatsu Lägg till en bevakning så meddelar vi dig så snart varan är i lager igen. Produkten är nu bevakad Vi meddelar dig så snart varan är i lager igen. E-postadress Lägg till bevakning Dina personuppgifter behandlas i enlighet med vår integritetspolicy. Packbox vevaxel Tohatsu Packbox vevaxel Tohatsu M 25 C - M 30 A, 430 cc, 2-takt Nr 33 i bild 2 Samma som Mercury art 8537071 Fri frakt över 2000kr 30 dagars öppet köp Snabba leveranser Reservdelar Motortillbehör Oljor Kampanjer Sprängskisser Motorinformation