Packbox adapterplatta Mercury
Lägg till en bevakning så meddelar vi dig så snart varan är i lager igen.
Packbox adapterplatta Mercury
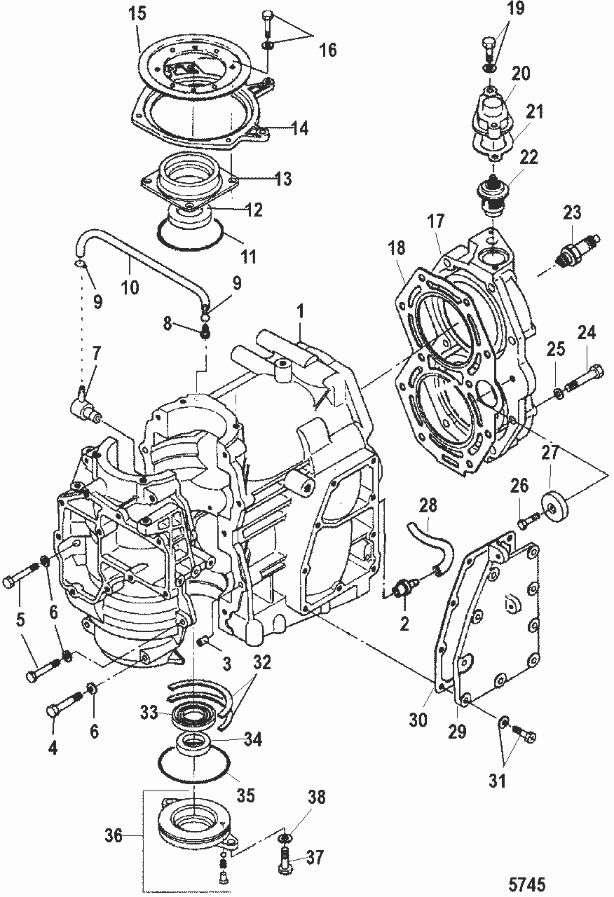
Packbox Mercury riggplatta 25 - 30 hk, 430 cc 2-takt samt F 25 - F 30 hk, 4-takt Tohatsumodeller
Nr 28 i bild 2
Sitter även i nedre vevhustätning på 25 - 30 hk, 430 cc, 2-takt, se bild 3 nr 34
Samma som Tohatsu art 346-01215-0
Fri frakt över 2000kr
30 dagars öppet köp
Snabba leveranser
