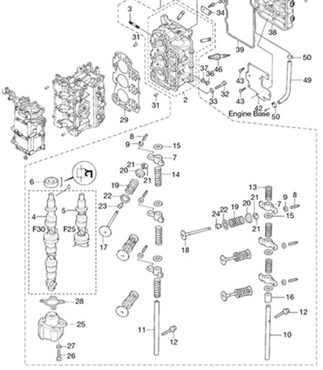
Reservdelar Motordelar Mercury Oljepump Tohatsu Lägg till en bevakning så meddelar vi dig så snart varan är i lager igen. Produkten är nu bevakad Vi meddelar dig så snart varan är i lager igen. E-postadress Lägg till bevakning Dina personuppgifter behandlas i enlighet med vår integritetspolicy. Oljepump Tohatsu Oljepump Tohatsu MFS 25 B+C - MFS 30 B+C, 526 cc, 4-takt Nr 25 i bild 2 Samma som Mercury art 8M0117630 Fri frakt över 2000kr 30 dagars öppet köp Snabba leveranser Reservdelar Motortillbehör Oljor Kampanjer Sprängskisser Motorinformation