Oljefilter Mercury
Oljesil/filter i tråg Mercury F 8 - F 9,9 hk, 209 cc
Lägg till en bevakning så meddelar vi dig så snart varan är i lager igen.
Oljefilter Mercury
Oljesil/filter i tråg Mercury F 8 - F 9,9 hk, 209 cc
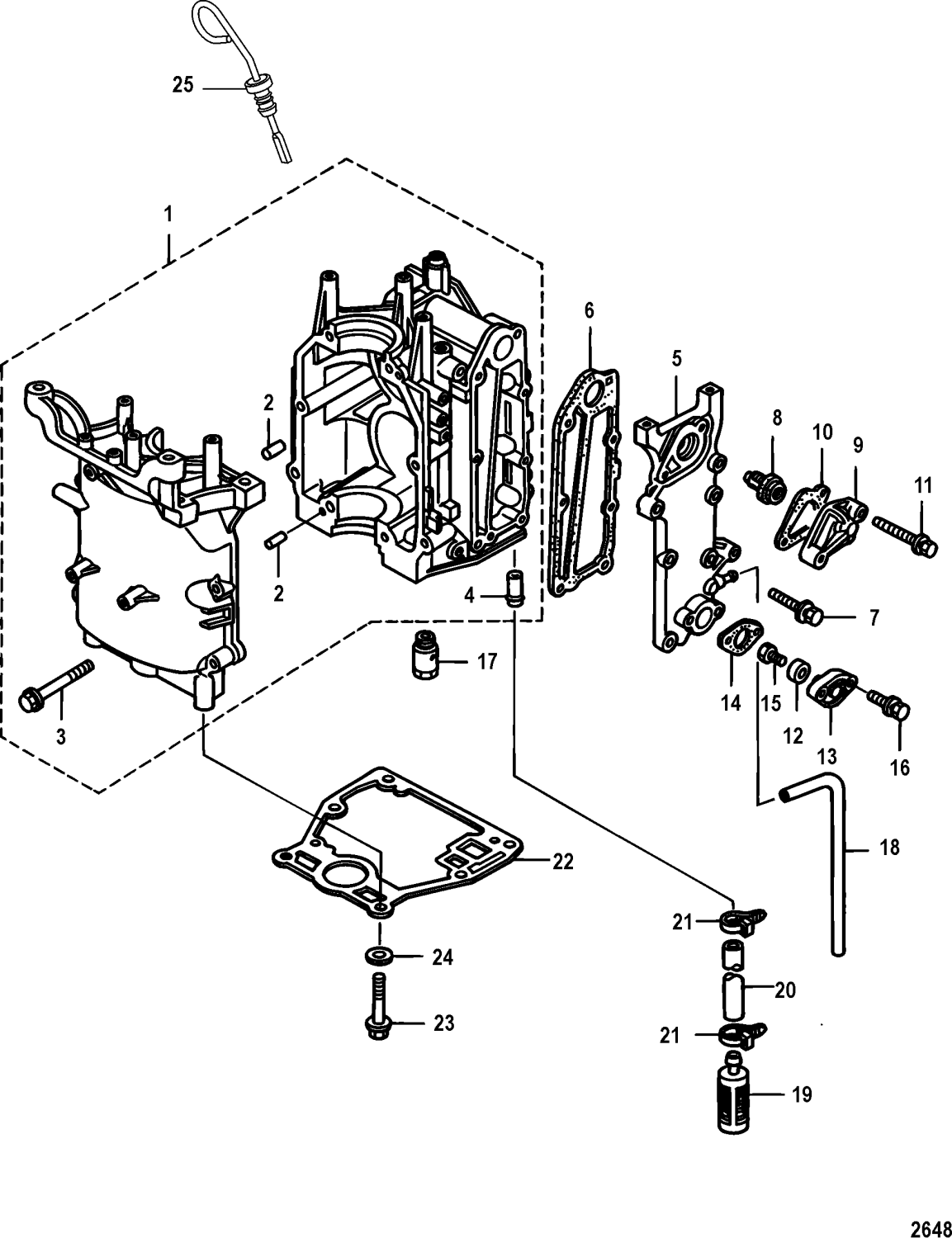
Oljesil/filter Mercury F 8 - F 9,9 hk, 209 cc 4-takt
Sitter i oljetråg
Nr 19 i bild 2
Ersätter Mercury art 895152
Samma som Tohatsu art 3V1-07410-1
Fri frakt över 2000kr
30 dagars öppet köp
Snabba leveranser
