O-ring oljekylare Mercury
Lägg till en bevakning så meddelar vi dig så snart varan är i lager igen.
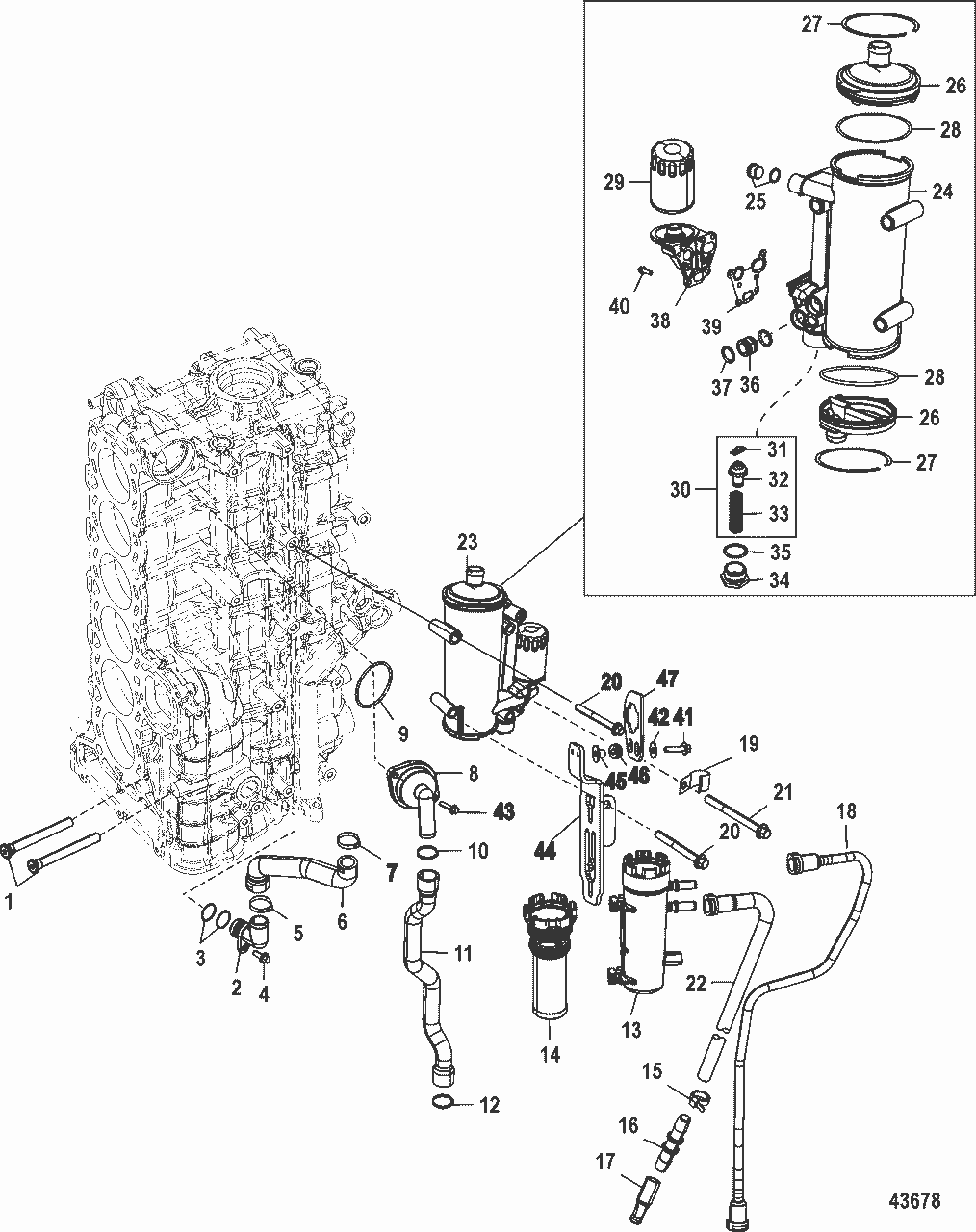
O-ring oljekylare Mercury
O-ring oljekylare Mercury Verado L 4 och L 6, 4-takt, flera modeller
Se sprängskiss för rätt del och antal
Nr 37 i bild
Fri frakt över 2000kr
30 dagars öppet köp
Snabba leveranser
