Nylonlagerbana riggrör Mercury
Lägg till en bevakning så meddelar vi dig så snart varan är i lager igen.
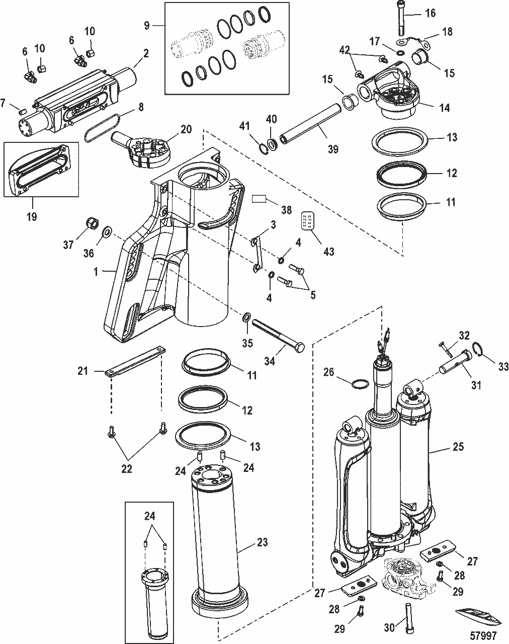
Nylonlagerbana riggrör Mercury
Lager, lagerbana, nylon Mercury Verado L 6, V 8 och V 10, 4-takt flera modeller
Se sprängskiss för rätt del och antal
Nr 11 i bild 2
Ers art 8806621
Fri frakt över 2000kr
30 dagars öppet köp
Snabba leveranser
