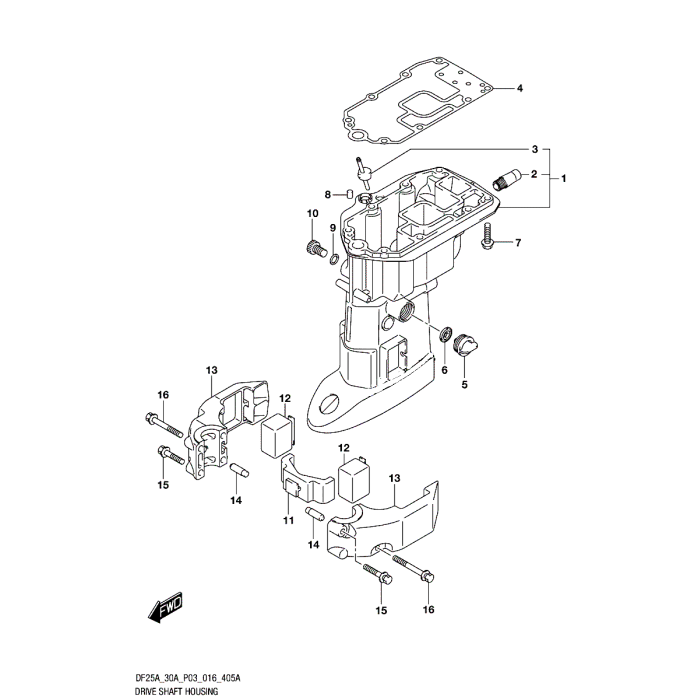
Reservdelar Powertrim & rigg Suzuki Nippel Suzuki Lägg till en bevakning så meddelar vi dig så snart varan är i lager igen. Produkten är nu bevakad Vi meddelar dig så snart varan är i lager igen. E-postadress Lägg till bevakning Dina personuppgifter behandlas i enlighet med vår integritetspolicy. Nippel Suzuki Nippel kylvatten Suzuki DF 25 A - DF 30 A, 4-takt Nr 3 i bild. Fri frakt över 2000kr 30 dagars öppet köp Snabba leveranser Reservdelar Motortillbehör Oljor Kampanjer Sprängskisser Motorinformation