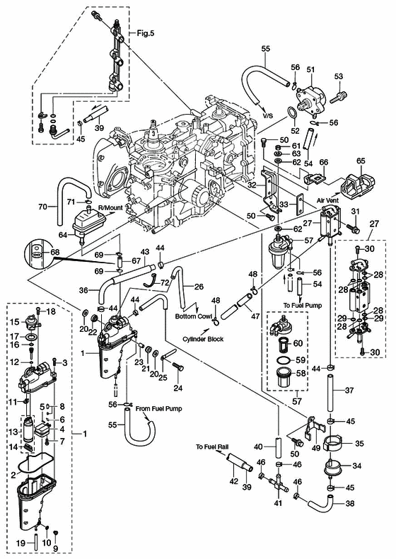
Reservdelar Bränsle förgasare & pumpar Mercury Nippel Mercury Lägg till en bevakning så meddelar vi dig så snart varan är i lager igen. Produkten är nu bevakad Vi meddelar dig så snart varan är i lager igen. E-postadress Lägg till bevakning Dina personuppgifter behandlas i enlighet med vår integritetspolicy. Nippel Mercury T-nippel bränsle Mercury F 25 EFI - F 30 EFI, 526 cc 4-takt, Tohatsumodell Nr 41 i bild Samma som Tohatsu art 3AC-70013-0 Fri frakt över 2000kr 30 dagars öppet köp Snabba leveranser Reservdelar Motortillbehör Oljor Kampanjer Sprängskisser Motorinformation