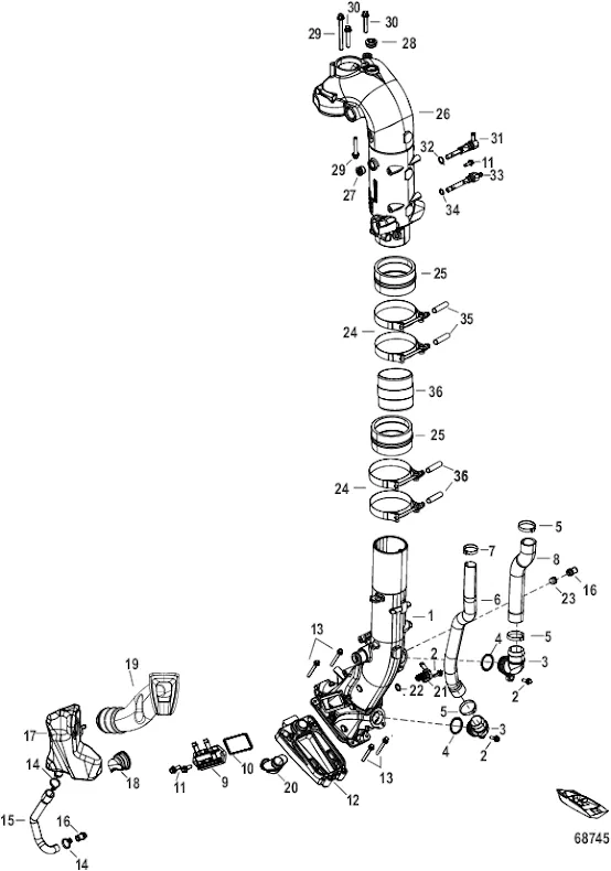
Reservdelar Powertrim & rigg Mercury Nippel Mercury Lägg till en bevakning så meddelar vi dig så snart varan är i lager igen. Produkten är nu bevakad Vi meddelar dig så snart varan är i lager igen. E-postadress Lägg till bevakning Dina personuppgifter behandlas i enlighet med vår integritetspolicy. Nippel Mercury Nippel avgas Mercury V 6, V 8 och V 10, 4-takt Se sprängskiss för rätt del Nr 21 i bild Ers art 8M0142730 Fri frakt över 2000kr 30 dagars öppet köp Snabba leveranser Reservdelar Motortillbehör Oljor Kampanjer Sprängskisser Motorinformation