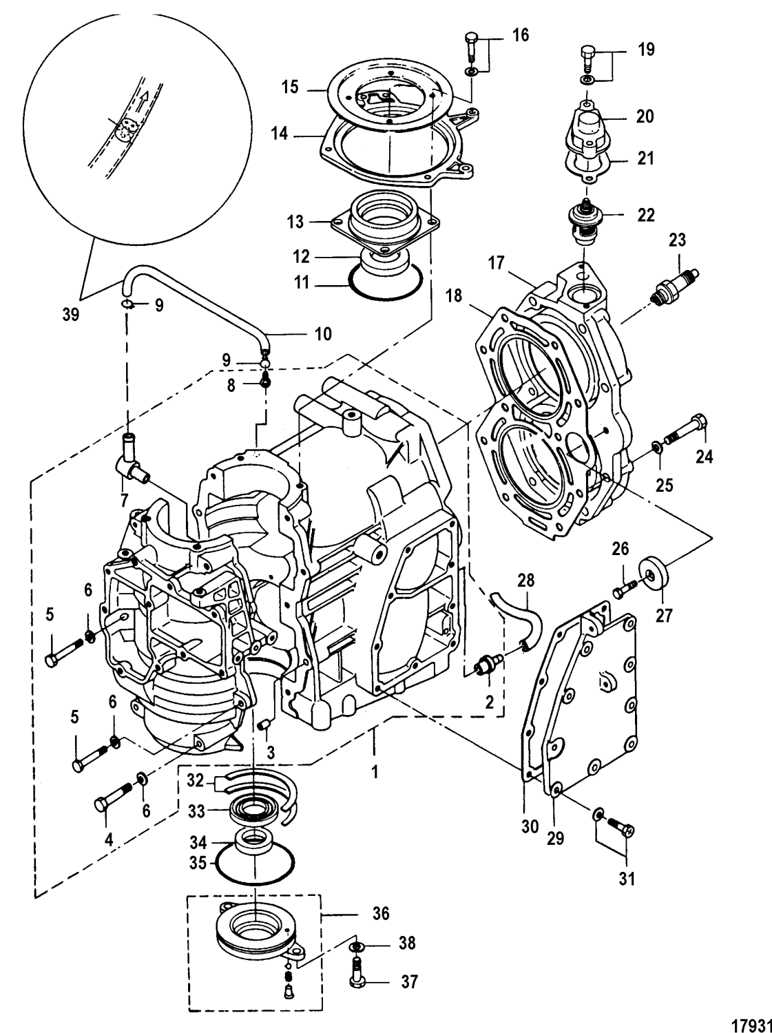
Reservdelar Motordelar Mercury Nippel Mercury Lägg till en bevakning så meddelar vi dig så snart varan är i lager igen. Produkten är nu bevakad Vi meddelar dig så snart varan är i lager igen. E-postadress Lägg till bevakning Dina personuppgifter behandlas i enlighet med vår integritetspolicy. Nippel Mercury Nippel Mercury 25 - 30 hk, 430 cc 2-takt, Tohatsumodell Nr 2 i bild Samma som Tohatsu art 346-01137-0 Fri frakt över 2000kr 30 dagars öppet köp Snabba leveranser Reservdelar Motortillbehör Oljor Kampanjer Sprängskisser Motorinformation