Nippel kylvatten Mercury
F 30 EFI - F 60 EFI, 4-takt ej Tohatsusamerbete
Lägg till en bevakning så meddelar vi dig så snart varan är i lager igen.
Nippel kylvatten Mercury
F 30 EFI - F 60 EFI, 4-takt ej Tohatsusamerbete
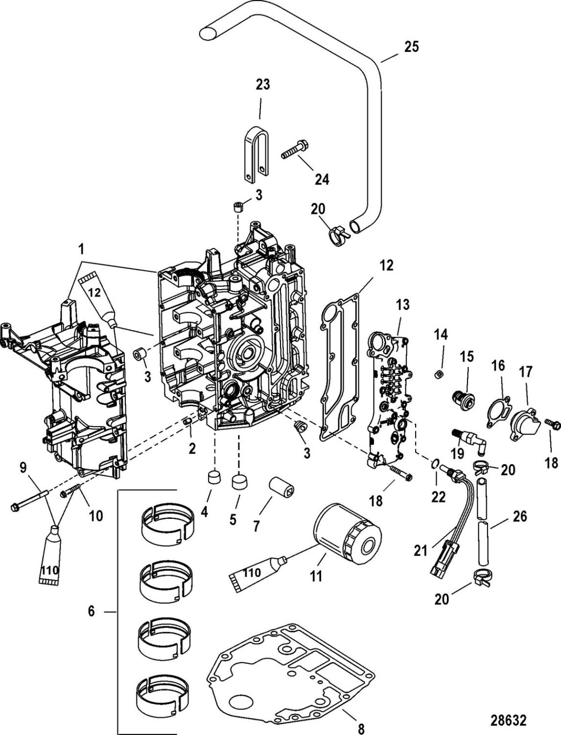
Nippel, sil, kylvatten Mercury F 30 EFI - F 60 EFI, 4-takt (ej Tohatsumod.)
Nr 19 i bild 2
Fri frakt över 2000kr
30 dagars öppet köp
Snabba leveranser
