Neutralswitch Mercury
Neutralströmbrytare Big Tiller rorkult, F 40 - F V 8, rorkultsmodeller med Big Tiller, flera modeller
Lägg till en bevakning så meddelar vi dig så snart varan är i lager igen.
Neutralswitch Mercury
Neutralströmbrytare Big Tiller rorkult, F 40 - F V 8, rorkultsmodeller med Big Tiller, flera modeller
Neutralströmbrytare Big Tiller rorkult, F 40 - F V 8, rorkultsmodeller med Big Tiller, flera modeller
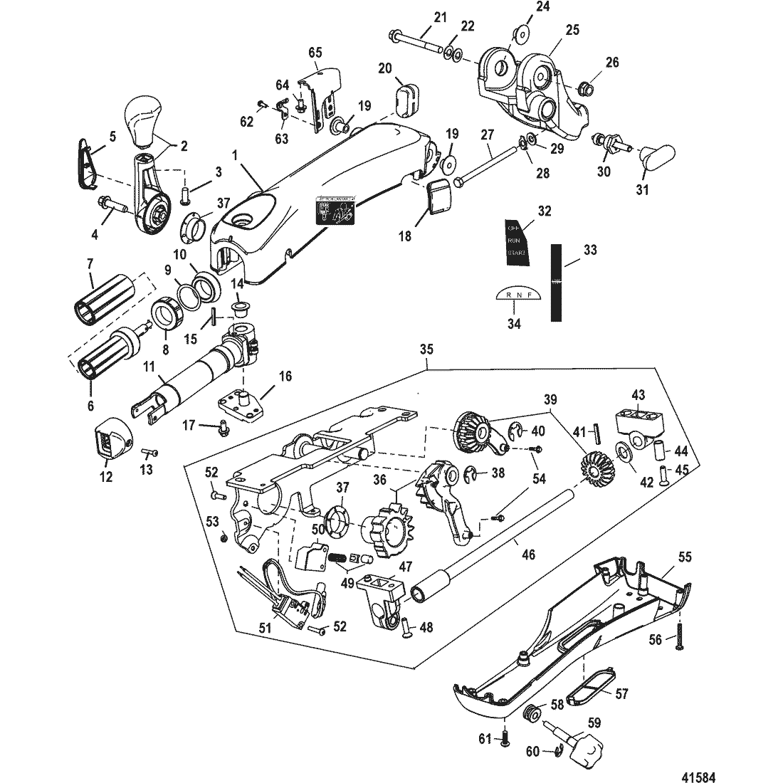
Se sprängskiss för rätt del
Nr 51 i bild
Fri frakt över 2000kr
30 dagars öppet köp
Snabba leveranser
