Impellerhus nedre Mercury
Nedre impellerhus Mercury 40 - 50 hk, 2-takt 697 cc
Lägg till en bevakning så meddelar vi dig så snart varan är i lager igen.
Impellerhus nedre Mercury
Nedre impellerhus Mercury 40 - 50 hk, 2-takt 697 cc
Nedre impellerhus Mercury 40 - 50 hk, 2-takt 697 cc
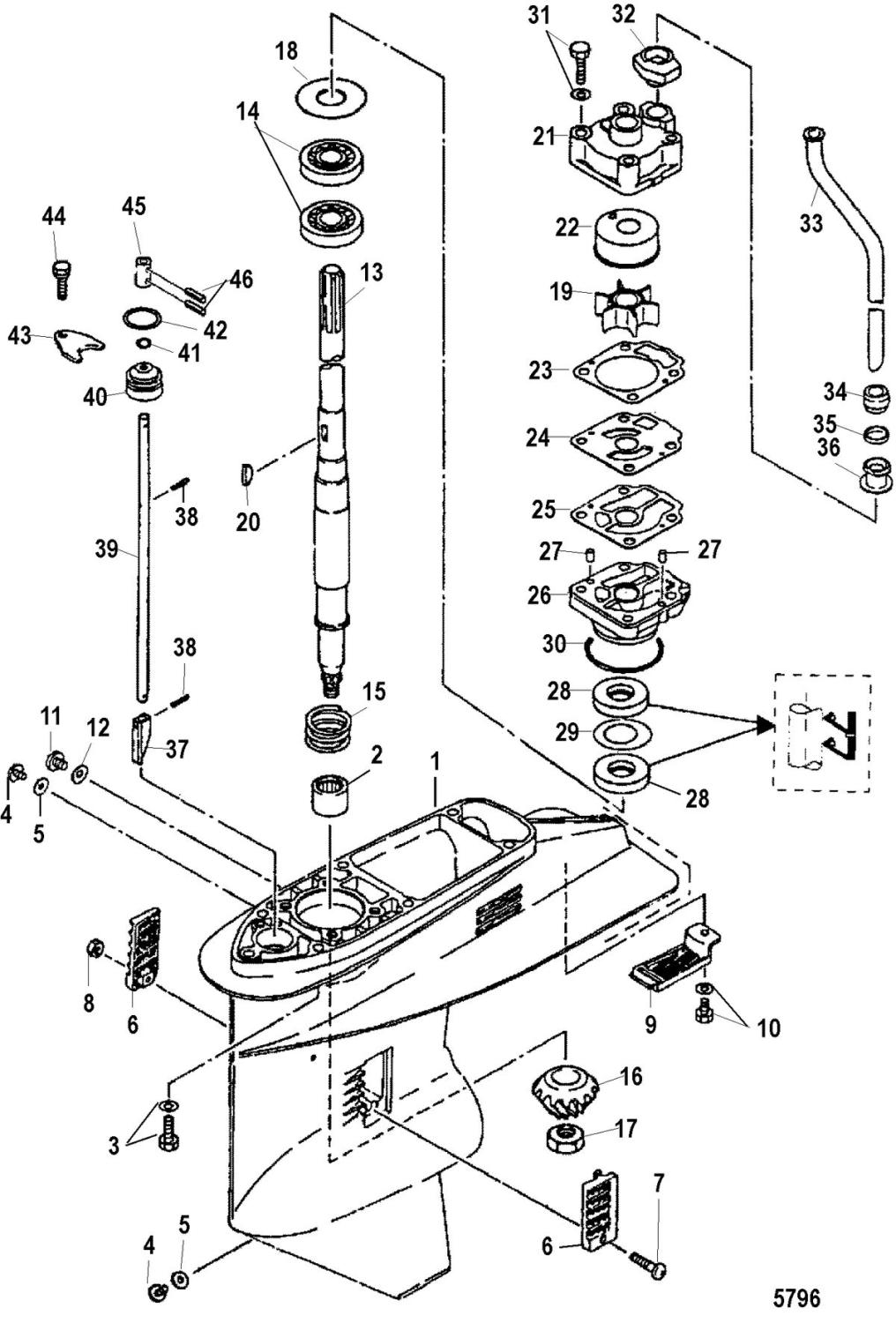
Nr 26 i bild 2
Innehåller ej tätningar ( 2 st packbox art 8537079 och 1 st o-ring art 16131 beställs separat)
Samma som Tohatsu art 3C8-65017-1
Fri frakt över 2000kr
30 dagars öppet köp
Snabba leveranser
