Mutter växelhus Mercury
2-takt och 4-takt Tohatsusamarbete flera
Lägg till en bevakning så meddelar vi dig så snart varan är i lager igen.
Mutter växelhus Mercury
2-takt och 4-takt Tohatsusamarbete flera
Mutter växelhus flera Mercury 2-takt och 4-takt Tohatsumodeller
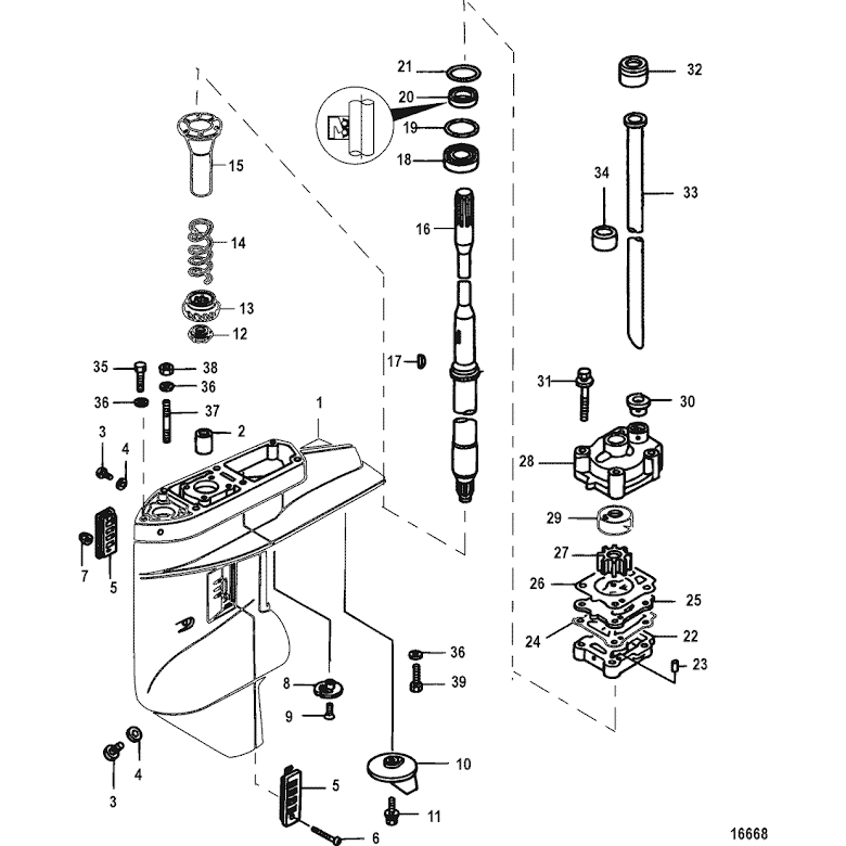
Se sprängskiss för rätt del.
Nr 38 i bild
Samma som Tohatsu art 9301E3-0800
Fri frakt över 2000kr
30 dagars öppet köp
Snabba leveranser
