Mutter styrrör Mercury
Lägg till en bevakning så meddelar vi dig så snart varan är i lager igen.
Mutter styrrör Mercury
Mutter styrrör Mercury, flera 10 - 50 hk, 2-takt samt F 8 - F 30 hk, 4-takt Tohatsumodeller
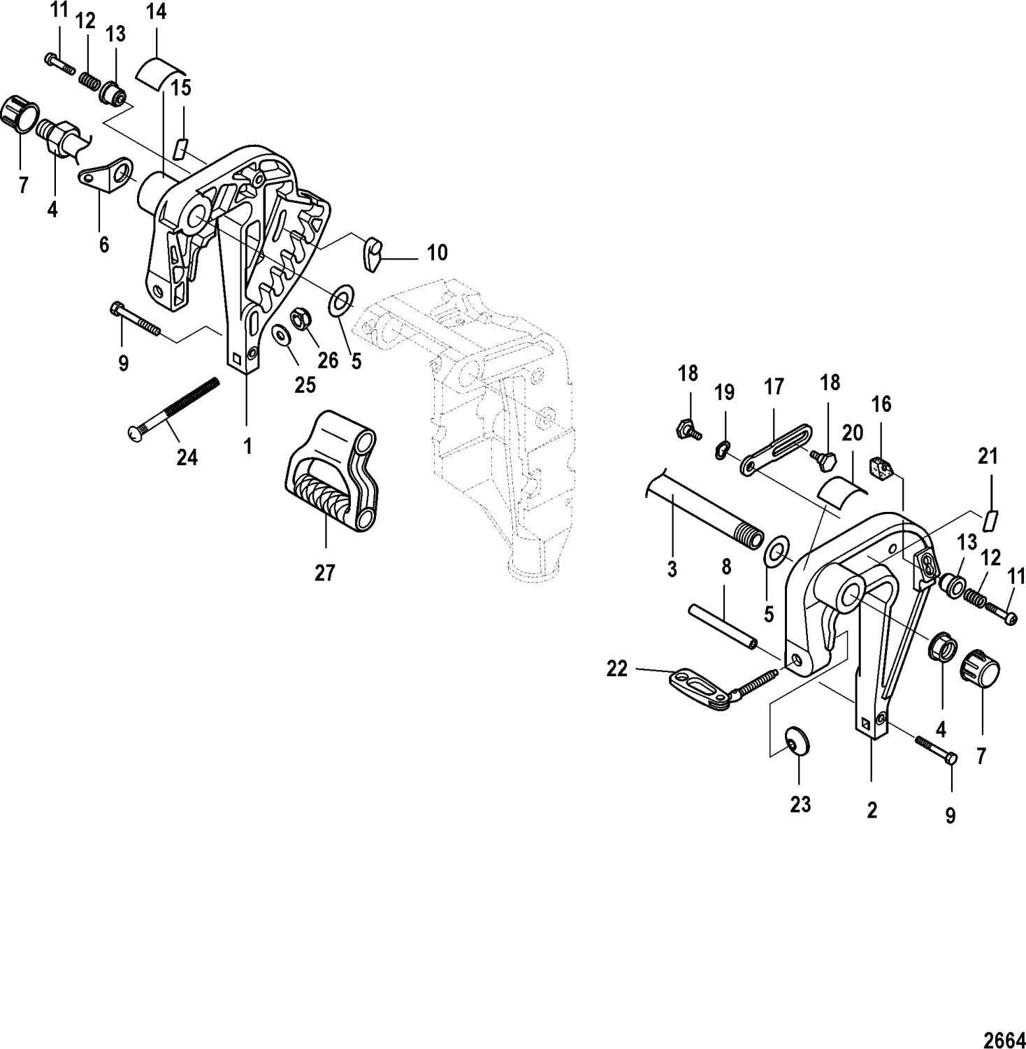
Nr 4 i bild 1, se sprängskiss för rätt del.
Ersätter Mercury art 85372213
Samma som Tohatsu art 346-62124-1 (Passsar även Tohatsu MFS 40 A - MFS 140 A)
Fri frakt över 2000kr
30 dagars öppet köp
Snabba leveranser
