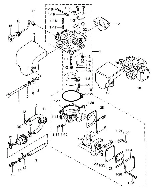
Reservdelar Bränsle förgasare & pumpar Mercury Munstycke Mercury Lägg till en bevakning så meddelar vi dig så snart varan är i lager igen. Produkten är nu bevakad Vi meddelar dig så snart varan är i lager igen. E-postadress Lägg till bevakning Dina personuppgifter behandlas i enlighet med vår integritetspolicy. Munstycke Mercury Huvudmunstycke Mercury 6 hk, 2-takt 169 cc Tohatsumodell Nr 1:2 i bild 2. # 80 Samma som Tohatsu art 3G0-03251-0 Fri frakt över 2000kr 30 dagars öppet köp Snabba leveranser Reservdelar Motortillbehör Oljor Kampanjer Sprängskisser Motorinformation