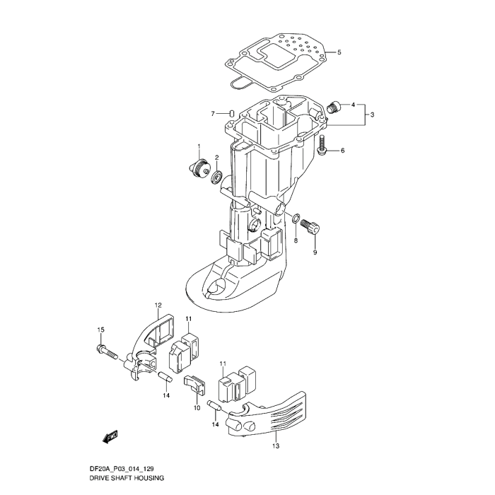
Reservdelar Powertrim & rigg Suzuki Motorbussning Suzuki Lägg till en bevakning så meddelar vi dig så snart varan är i lager igen. Produkten är nu bevakad Vi meddelar dig så snart varan är i lager igen. E-postadress Lägg till bevakning Dina personuppgifter behandlas i enlighet med vår integritetspolicy. Motorbussning Suzuki Motorbussning, nedre bak, Suzuki DF 9,9 B EFI - DF 20 A EFI, 4-takt Se sprängskiss för rätt del Nr 10 i bild 2 Fri frakt över 2000kr 30 dagars öppet köp Snabba leveranser Reservdelar Motortillbehör Oljor Kampanjer Sprängskisser Motorinformation