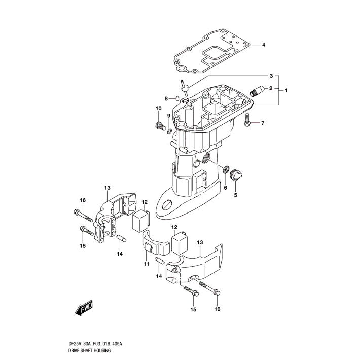
Reservdelar Powertrim & rigg Suzuki Motorbussning Suzuki Lägg till en bevakning så meddelar vi dig så snart varan är i lager igen. Produkten är nu bevakad Vi meddelar dig så snart varan är i lager igen. E-postadress Lägg till bevakning Dina personuppgifter behandlas i enlighet med vår integritetspolicy. Motorbussning Suzuki Gummi, motorbussning, Suzuki DF 25 A - DF 30 A, 4-takt Se sprängskiss för rätt del och antal Nr 12 i bild, säljes styckvis Fri frakt över 2000kr 30 dagars öppet köp Snabba leveranser Reservdelar Motortillbehör Oljor Kampanjer Sprängskisser Motorinformation