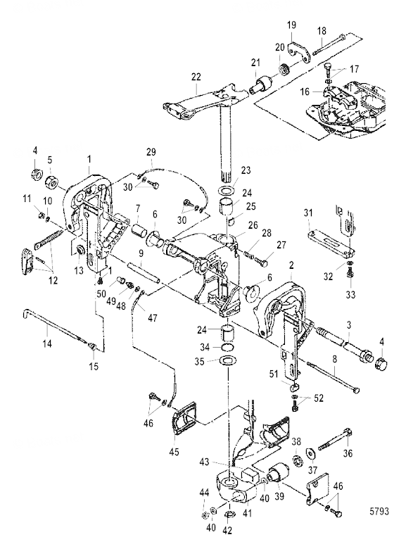
Lock motorbussning Mercury
Lägg till en bevakning så meddelar vi dig så snart varan är i lager igen.
Lock motorbussning Mercury
Lock för övre motorbussningar Mercury 40 - 50 hk, 2-takt Lightning/XR 697 cc Tohatsumodell.
Ers art 851872
Samma som Tohatsu art 3C8-61341-0
Nr 16 i bild 2, delen är svart
Fri frakt över 2000kr
30 dagars öppet köp
Snabba leveranser
