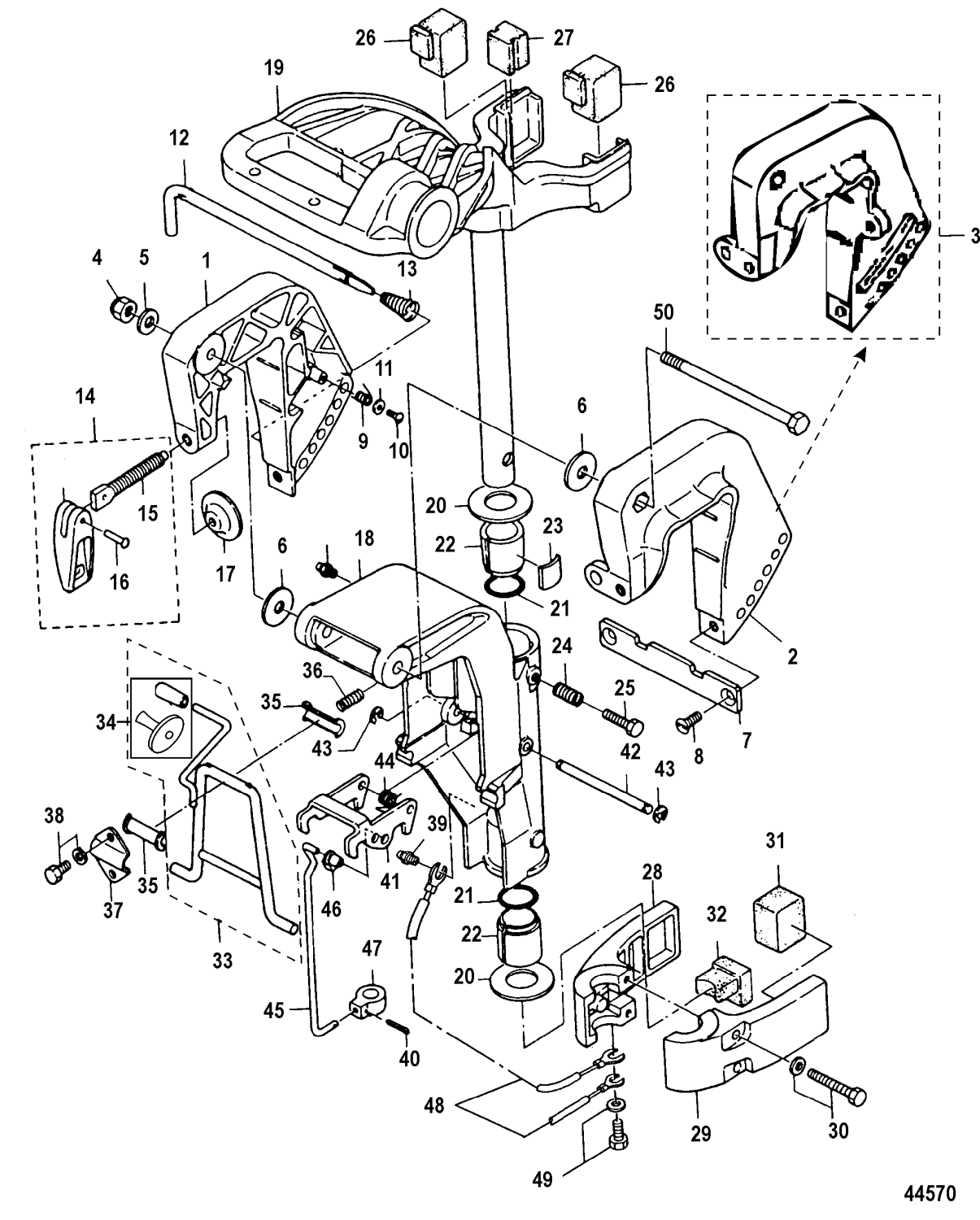
Lock motorbussning Mercury
Lägg till en bevakning så meddelar vi dig så snart varan är i lager igen.
Lock motorbussning Mercury
Lock/skydd nedre motorbussning Mercury 6 - 9,8 hk, 2-takt 169 cc Tohatsumodeller
Nr 29 i bild 2, babord sida. Svart
Ersätter Mercury art 8037763
Samma som Tohatsu art 3K9Q61402-0 (ers. 3B2S61401-0)
Fri frakt över 2000kr
30 dagars öppet köp
Snabba leveranser
