Lifter Mercury
Lägg till en bevakning så meddelar vi dig så snart varan är i lager igen.
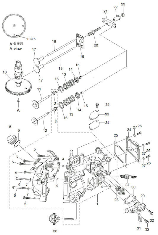
Lifter Mercury
Lifter kam Mercury F 4 - F 6 hk, 4-takt nr 0P401000 och upp
Se sprängskiss för rätt del och antal
Nr 17 i bild 2
Samma som Tohatsu art 3H6-07231-0 (MFS 4 A-D - MFS 6 A-D)
Fri frakt över 2000kr
30 dagars öppet köp
Snabba leveranser
