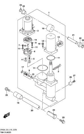
Reservdelar Powertrim & rigg Suzuki Låsring releaseventil Suzuki Lägg till en bevakning så meddelar vi dig så snart varan är i lager igen. Produkten är nu bevakad Vi meddelar dig så snart varan är i lager igen. E-postadress Lägg till bevakning Dina personuppgifter behandlas i enlighet med vår integritetspolicy. Låsring releaseventil Suzuki Låsning manuell releaseventil Suzuki art 48551-88L00 och art 48864-89LA0 Nr 17 i bild Fri frakt över 2000kr 30 dagars öppet köp Snabba leveranser Reservdelar Motortillbehör Oljor Kampanjer Sprängskisser Motorinformation