Låsning reglage Suzuki
Lägg till en bevakning så meddelar vi dig så snart varan är i lager igen.
Låsning reglage Suzuki
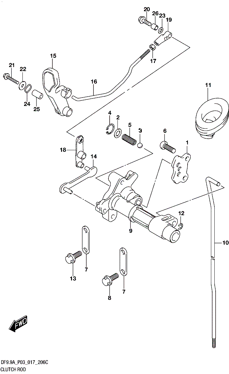
Låsning växelförare Suzuki DF 8 A - DF 9,9 A samt vissa äldre DF 9,9 - DF 15 hk, ej A-modeller, 4-takt
Se sprängskiss för rätt del, nr 19 i bild 2, nr 11 i bild 3 (olika motorer)
Fri frakt över 2000kr
30 dagars öppet köp
Snabba leveranser
