Lager drivaxel Mercury
F 10 - F 20 hk, 351 cc, 4-takt
Lägg till en bevakning så meddelar vi dig så snart varan är i lager igen.
Lager drivaxel Mercury
F 10 - F 20 hk, 351 cc, 4-takt
Lager drivaxel Mercury F 10 - F 20 hk, 351 cc, 4-takt
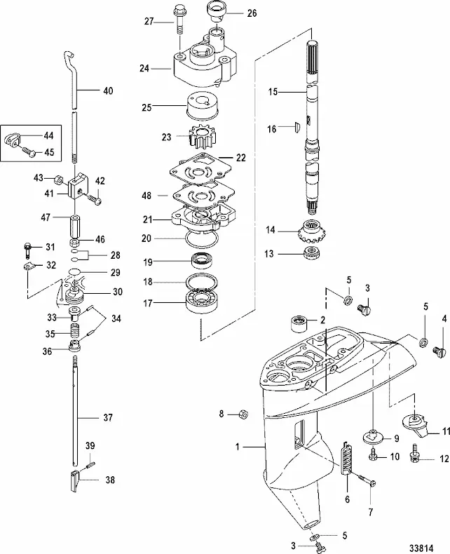
Nr 17 i bild 2
Se sprängskiss för rätt del
Samma som Tohatsu art 3BJ-60213-0 (Tohatsu MFS 9,9 C+D - MFS 20 C+D)
Fri frakt över 2000kr
30 dagars öppet köp
Snabba leveranser
