Lager propelleraxel Mercury
Flera modeller 2-takt, 4-takt och DFI
Lägg till en bevakning så meddelar vi dig så snart varan är i lager igen.
Lager propelleraxel Mercury
Flera modeller 2-takt, 4-takt och DFI
Lager växelhus Mercury flera modeller 2-takt, 4-takt och DFI
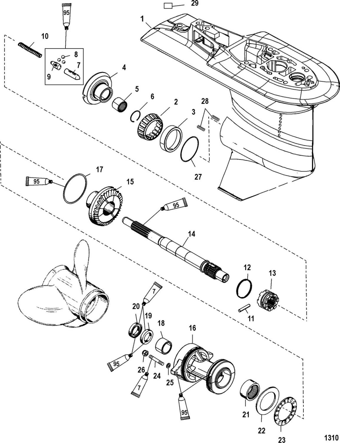
Se sprängskiss för rätt del
Nr 23 i bild 2
Fri frakt över 2000kr
30 dagars öppet köp
Snabba leveranser
