Kylvattenrör Mercury
Kylvattenrör Mercury 40 - 50 hk, 697 cc, 2-takt
Lägg till en bevakning så meddelar vi dig så snart varan är i lager igen.
Kylvattenrör Mercury
Kylvattenrör Mercury 40 - 50 hk, 697 cc, 2-takt
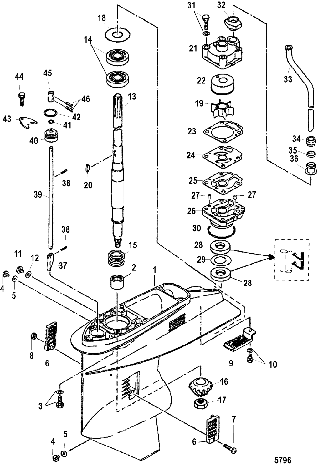
Kylvattenrör Mercury 40 - 50 hk, 697 cc, 2-takt Tohatsumodell
Nr 33 i bild, passar lång rigg
Samma som Tohatsu art 3C8-65110-0 (M 40 D - M 50 D, 2-takt samt MD 40 - MD 50 TLDI)
Fri frakt över 2000kr
30 dagars öppet köp
Snabba leveranser
