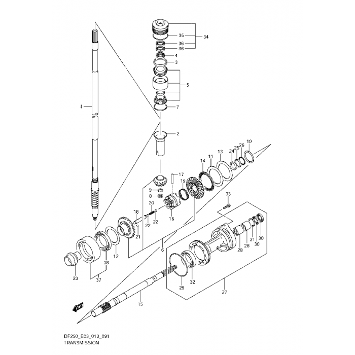
Reservdelar Växelhusdelar Suzuki Kula Suzuki Lägg till en bevakning så meddelar vi dig så snart varan är i lager igen. Produkten är nu bevakad Vi meddelar dig så snart varan är i lager igen. E-postadress Lägg till bevakning Dina personuppgifter behandlas i enlighet med vår integritetspolicy. Kula Suzuki Kula växelförare växelhus Suzuki, flera modeller DF 70 - DF 300 hk, 4-takt Se sprängskiss för rätt del och antal Nr 22 i bild 2 Fri frakt över 2000kr 30 dagars öppet köp Snabba leveranser Reservdelar Motortillbehör Oljor Kampanjer Sprängskisser Motorinformation