Kolsats Mercury
Kolsats Mercury F 8 - F 9,9 hk, 209 cc, 4-takt förgasarmotor
Lägg till en bevakning så meddelar vi dig så snart varan är i lager igen.
Kolsats Mercury
Kolsats Mercury F 8 - F 9,9 hk, 209 cc, 4-takt förgasarmotor
Kolsats Mercury F 8 - F 9,9 hk, 209 cc, 4-takt förgasarmotor
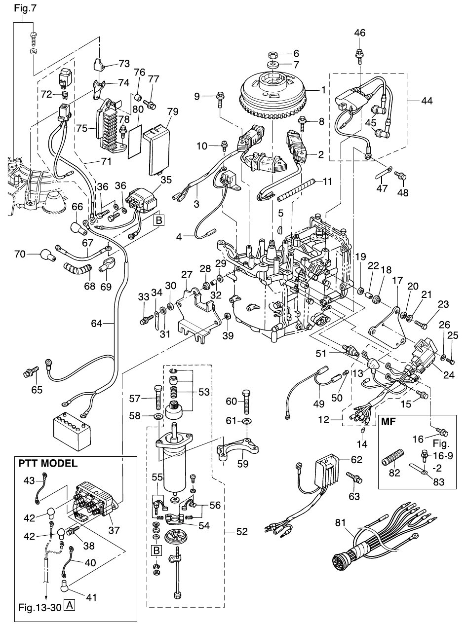
Passar Mercury startmotor art 803835T02
Nr 55 och 56 i bild 2
Passar även startmotor Tohatsu art 3AA-76010-0
Tohatsu säljer kolen lösa, art 3AA-76012-0, positiv (nr 55 i bild) och art 3AA-76013-0, negativ (nr 56 i bild)
Fri frakt över 2000kr
30 dagars öppet köp
Snabba leveranser
