Kolhållare Mercury
Kolhållare startmotor Mercury F 8 - F 9,9 hk, 209 cc, 4-takt
Lägg till en bevakning så meddelar vi dig så snart varan är i lager igen.
Kolhållare Mercury
Kolhållare startmotor Mercury F 8 - F 9,9 hk, 209 cc, 4-takt
Kolhållare startmotor Mercury F 8 - F 9,9 hk, 209 cc, 4-takt
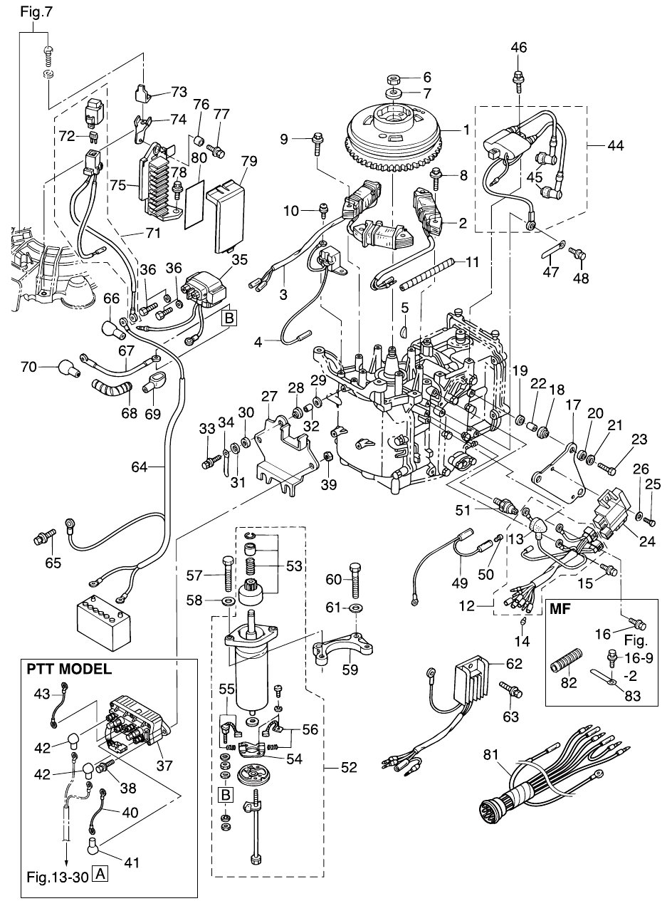
Nr 54 i bild 1, enbart hållare - ej kol
Samma som Tohatsu art 3AA-76014-0
Fri frakt över 2000kr
30 dagars öppet köp
Snabba leveranser
