Insugspackning Mercury
Lägg till en bevakning så meddelar vi dig så snart varan är i lager igen.
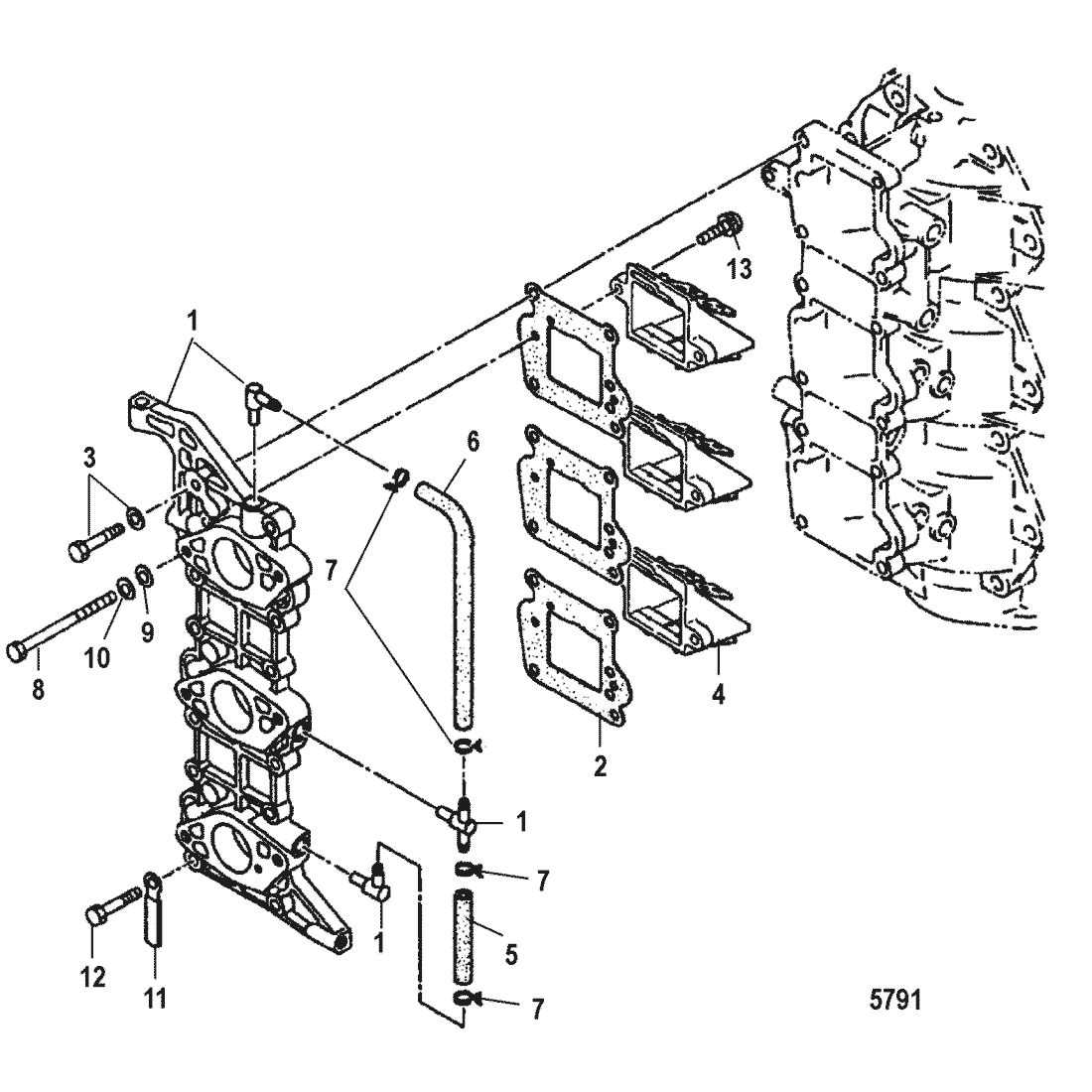
Insugspackning Mercury
Insugspackning Mercury 40 - 50 hk, Lightning/XR/MH, 2-takt 697 cc Tohatsumodell
Nr 2 i bild, 3 st åtgår per motor
Samma som Tohatsu art 3C8-02104-2
Ersätter Mercury art 855555001 och 855555
Fri frakt över 2000kr
30 dagars öppet köp
Snabba leveranser
