Hylsa drivaxel Suzuki
Lägg till en bevakning så meddelar vi dig så snart varan är i lager igen.
Hylsa drivaxel Suzuki
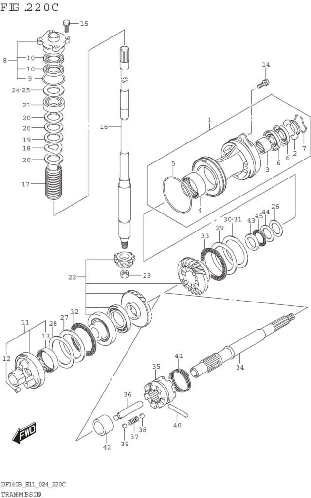
Hylsa drivaxel Suzuki DF 40 A - DF 60 A samt DF 100 A+C+T - DF 115 A+B+T - DF 140 A+B+T, 4-takt flera modeller
Se sprängskiss för rätt del
Nr 17 i bild 2
Ers art 57133-90J01
Fri frakt över 2000kr
30 dagars öppet köp
Snabba leveranser
