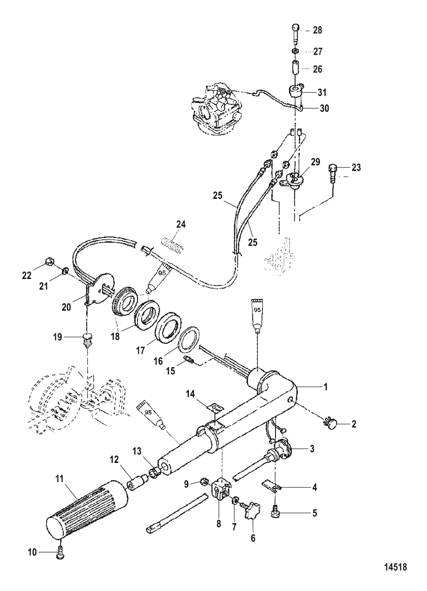
Handtag rorkult Mercury
Lägg till en bevakning så meddelar vi dig så snart varan är i lager igen.
Handtag rorkult Mercury
Gummihandtag rorkult Mercury 4 - 5 hk, 2-takt 102 cc och F 4 - F 6 hk, 4-takt 123 cc äldre t.o.m nr 0R411837 Tohatsumodeller
Samma som Tohatsu art 369-63012-0 ( Tohatsu M 4 C - M 5 B, 2-t samt MFS 4 A + B- MFS 6 A + B, 4-t)
Nr 11 i bild 2.
Se sprängskiss för rätt del.
Fri frakt över 2000kr
30 dagars öppet köp
Snabba leveranser
