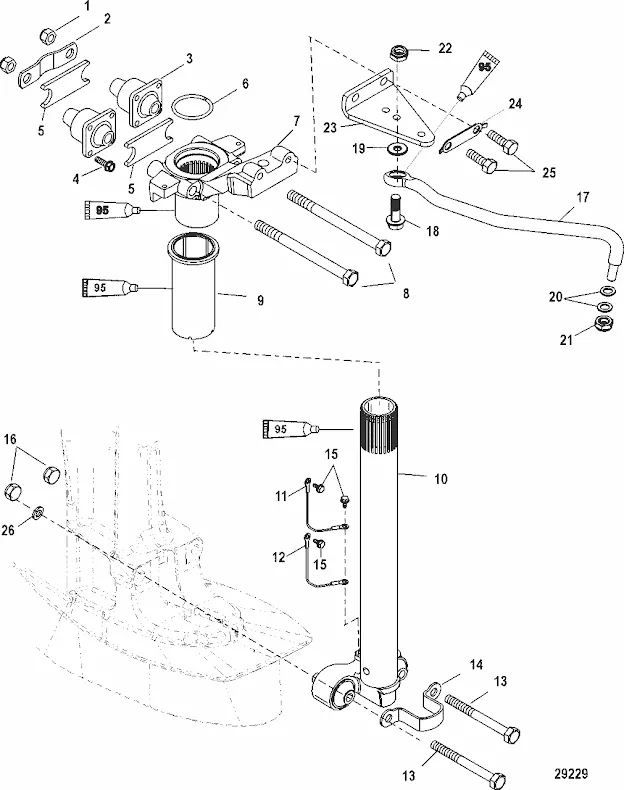
Reservdelar Powertrim & rigg Mercury Hållare riggrör Mercury Lägg till en bevakning så meddelar vi dig så snart varan är i lager igen. Produkten är nu bevakad Vi meddelar dig så snart varan är i lager igen. E-postadress Lägg till bevakning Dina personuppgifter behandlas i enlighet med vår integritetspolicy. Hållare riggrör Mercury Hållare riggrör Mercury F 25 - F 60 hk, 4-takt flera modeller Se sprängskiss för rätt del Nr 14 i bild Ers art 828985 Fri frakt över 2000kr 30 dagars öppet köp Snabba leveranser Reservdelar Motortillbehör Oljor Kampanjer Sprängskisser Motorinformation