Gummiskydd reglage Tohatsu
Flre modeller, ej trim
Lägg till en bevakning så meddelar vi dig så snart varan är i lager igen.
Gummiskydd reglage Tohatsu
Flre modeller, ej trim
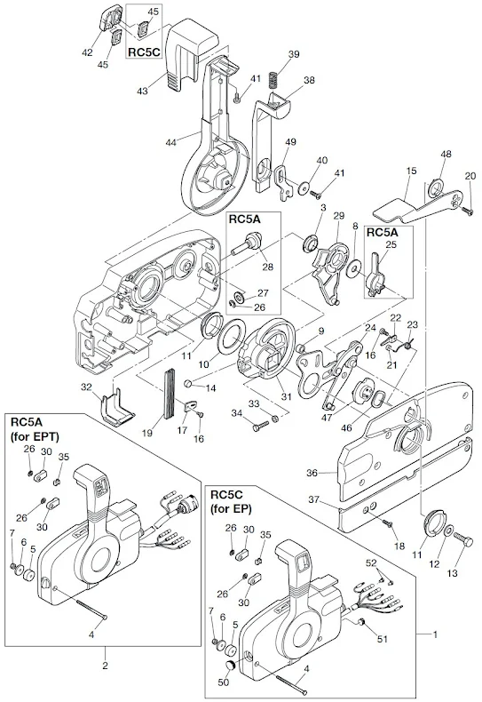
Gummitätning, trimknappsuttag, vissa Tohatsureglage
Se sprängskiss för rätt del och antal
Nr 45 i bild 2, endast 1 del behövs till originalreglage
Fri frakt över 2000kr
30 dagars öppet köp
Snabba leveranser
