Gummidistans startapparat Mercury
F 8 - F 9,9 hk, 209 cc förgasarmodell
Lägg till en bevakning så meddelar vi dig så snart varan är i lager igen.
Gummidistans startapparat Mercury
F 8 - F 9,9 hk, 209 cc förgasarmodell
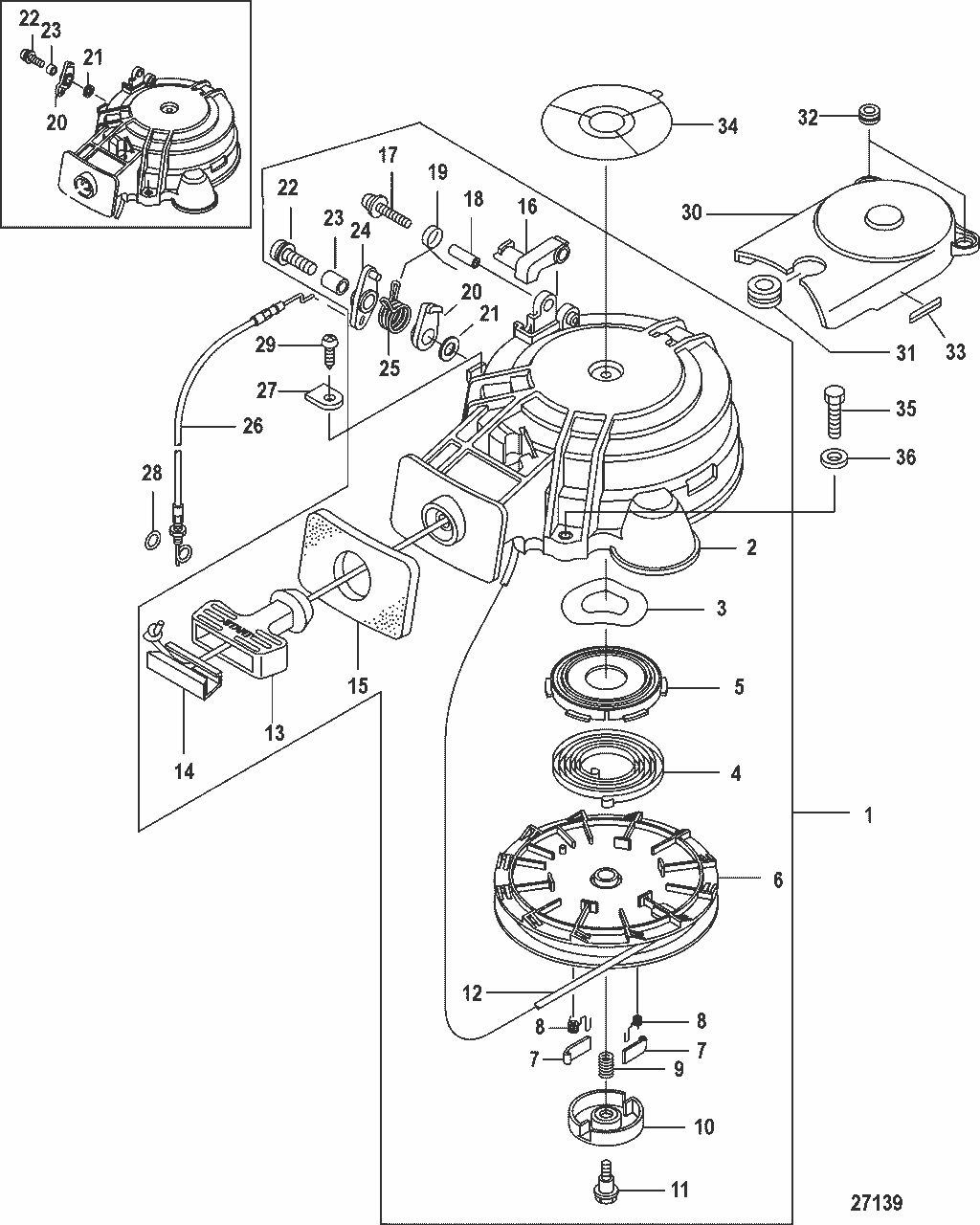
Gummidistans manuell startapparat Mercury F 8 - F 9,9 hk, 209 cc förgasarmodell
Nr 31 i bild 2
Samma som Tohatsu art 3V1-06302-0
Se sprängskiss för rätt del och antal
Fri frakt över 2000kr
30 dagars öppet köp
Snabba leveranser
