Motorbussning Mercury
Lägg till en bevakning så meddelar vi dig så snart varan är i lager igen.
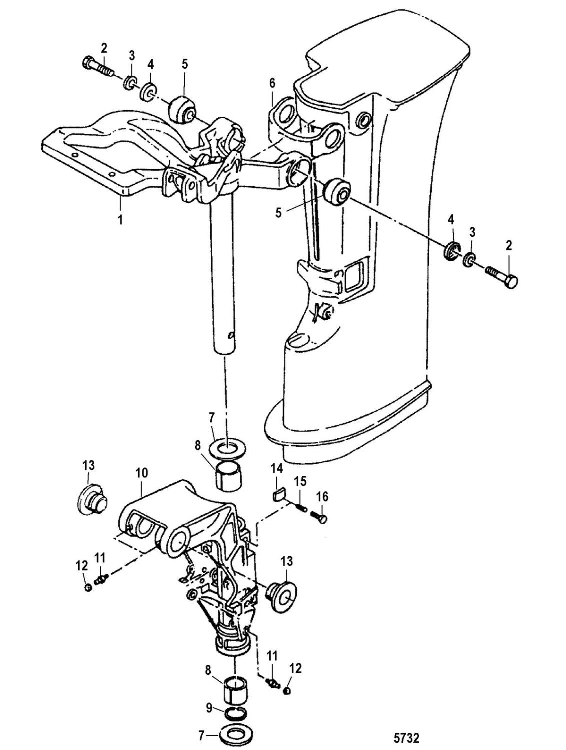
Motorbussning Mercury
Gummidämpare rigg Mercury 9,9 - 18 hk, 2-takt 247 cc Tohatsumodell
Nr 5 i bild 2, ersätter Mercury art 8037752.
2 st. åtgår per motor
Samma som Tohatsu art 350-61301-1
Fri frakt över 2000kr
30 dagars öppet köp
Snabba leveranser
