Gummi Suzuki
Lägg till en bevakning så meddelar vi dig så snart varan är i lager igen.
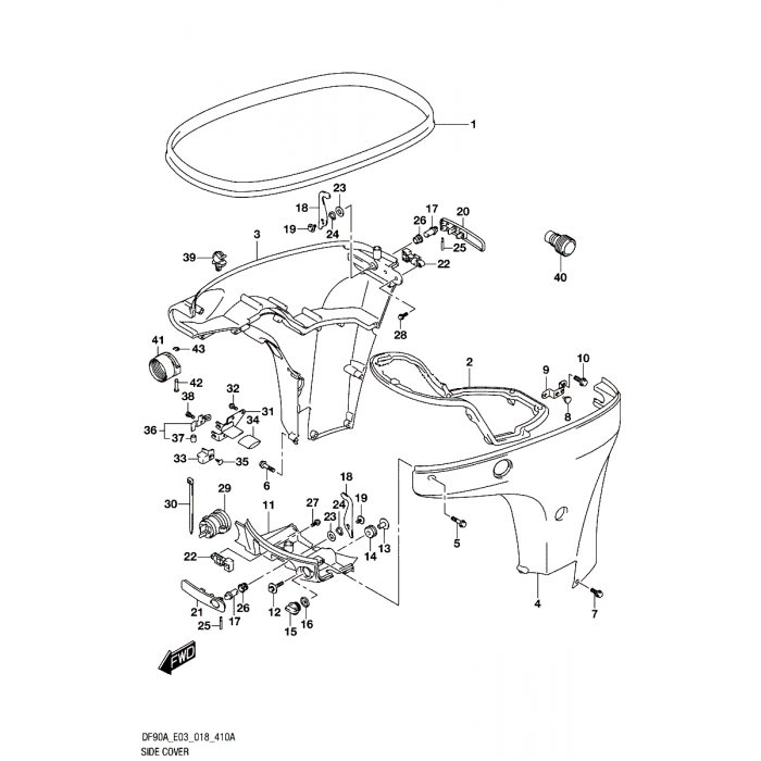
Gummi Suzuki
Gummi, rigging, Suzuki DF 70 A - DF 100 B hk, 4-takt vissa modeller (ej DF 100 A) från ca 2017
Se sprängskiss för rätt del
Nr 29 i bild 2
Ers. art 61124-87L20
Fri frakt över 2000kr
30 dagars öppet köp
Snabba leveranser
