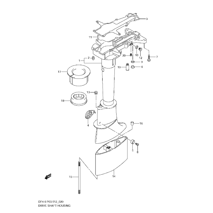
Reservdelar Powertrim & rigg Suzuki Gummi Suzuki Lägg till en bevakning så meddelar vi dig så snart varan är i lager igen. Produkten är nu bevakad Vi meddelar dig så snart varan är i lager igen. E-postadress Lägg till bevakning Dina personuppgifter behandlas i enlighet med vår integritetspolicy. Gummi Suzuki Gummiskydd rigg Suzuki DF 4 - DF 6 hk, 4-takt flera modeller Se sprängskiss för rätt del. Nr 4 i bild Fri frakt över 2000kr 30 dagars öppet köp Snabba leveranser Reservdelar Motortillbehör Oljor Kampanjer Sprängskisser Motorinformation