Gummi Mercury
Lägg till en bevakning så meddelar vi dig så snart varan är i lager igen.
Gummi Mercury
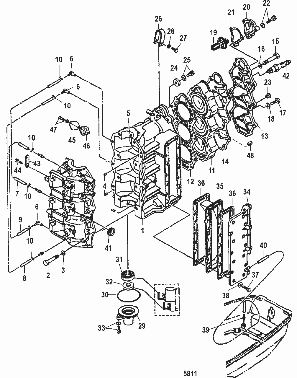
Gummi Mercury, sitter i flera motorer bl.a F 4 - F 6 hk, 123 cc, 4-takt från nr 0R411838 och nyare samt 40 - 50 hk, 697 cc, 2-takt
Se sprängskiss för rätt del
Nr 7 i bild 1 som visar F 5 och nr 41 i bild 2, som visar 50 hk, 2-takt
Samma som Tohatsu art 3B7-76093-0
Fri frakt över 2000kr
30 dagars öppet köp
Snabba leveranser
