Gaskam Mercury
Lägg till en bevakning så meddelar vi dig så snart varan är i lager igen.
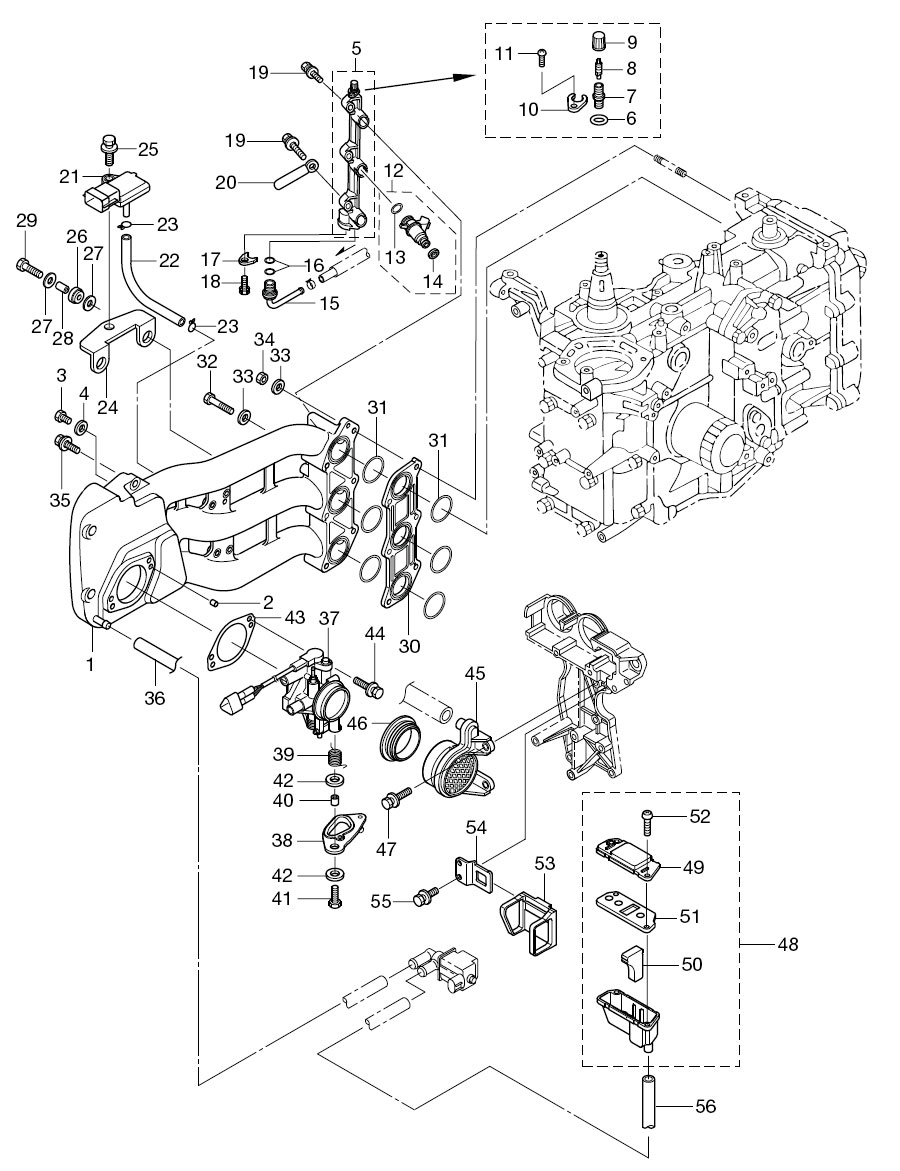
Gaskam Mercury
Gaskam Mercury F 25 EFI, 4-takt 526 cc Tohatsumodell
Nr 38 i bild - vit
Samma som Tohatsu art 3AD-63749-0
Ersätter Mercury art 898101200
Fri frakt över 2000kr
30 dagars öppet köp
Snabba leveranser
