Friktionsarm reglage Tohatsu
Flera modeller
Lägg till en bevakning så meddelar vi dig så snart varan är i lager igen.
Friktionsarm reglage Tohatsu
Flera modeller
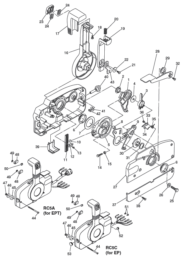
Friktionsarm i reglage Tohatsu, flera modeller
Se sprängskiss för rätt del
Nr 3 i bild
Samma som Mercury art 802964
Fri frakt över 2000kr
30 dagars öppet köp
Snabba leveranser
