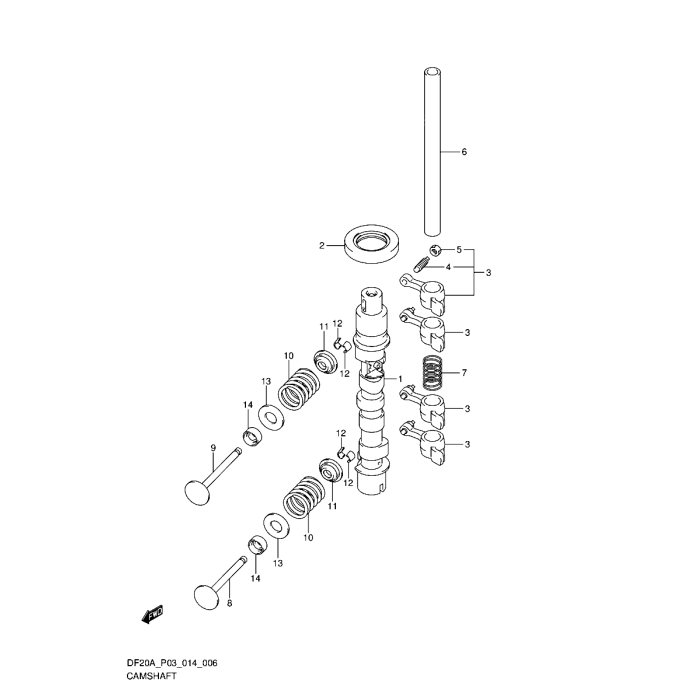
Reservdelar Motordelar Suzuki Fjäder kamvippor Suzuki Lägg till en bevakning så meddelar vi dig så snart varan är i lager igen. Produkten är nu bevakad Vi meddelar dig så snart varan är i lager igen. E-postadress Lägg till bevakning Dina personuppgifter behandlas i enlighet med vår integritetspolicy. Fjäder kamvippor Suzuki Fjäder axel, kamvippor, Suzuki DF 9,9 B EFI - DF 20 A EFI, 4-takt Se sprängskiss för rätt del och antal Nr 7 i bild Fri frakt över 2000kr 30 dagars öppet köp Snabba leveranser Reservdelar Motortillbehör Oljor Kampanjer Sprängskisser Motorinformation