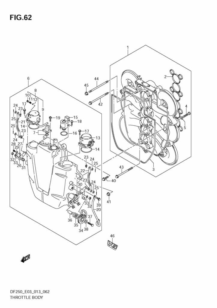
Reservdelar Växling & gasdelar Suzuki Fjäder Suzuki Lägg till en bevakning så meddelar vi dig så snart varan är i lager igen. Produkten är nu bevakad Vi meddelar dig så snart varan är i lager igen. E-postadress Lägg till bevakning Dina personuppgifter behandlas i enlighet med vår integritetspolicy. Fjäder Suzuki Fjäder bypass luft Suzuki DF 200 - DF 250 hk, 4-takt flera modeller Nr 11 i bild Se sprängskiss för rätt del. Fri frakt över 2000kr 30 dagars öppet köp Snabba leveranser Reservdelar Motortillbehör Oljor Kampanjer Sprängskisser Motorinformation