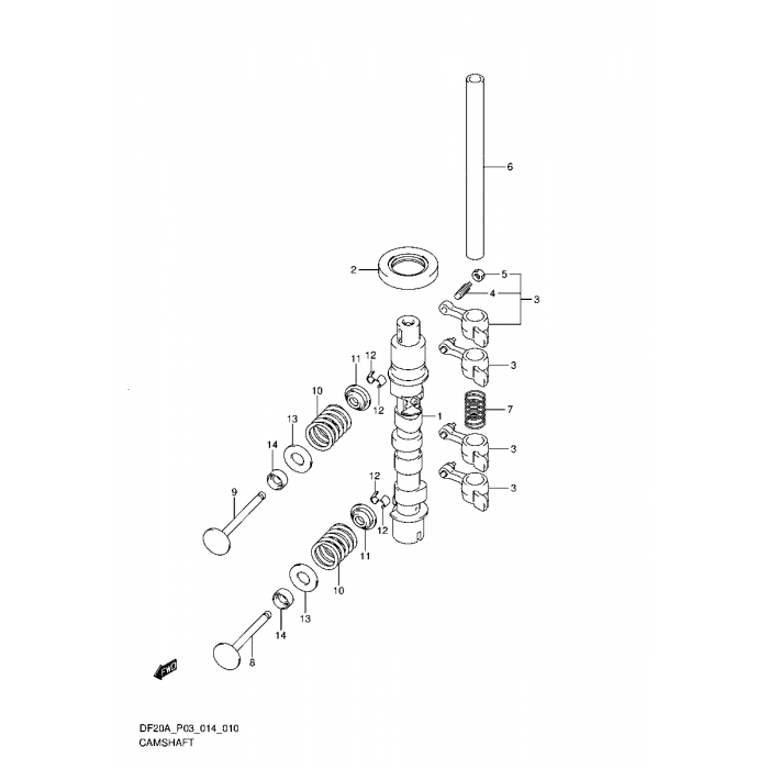
Reservdelar Motordelar Suzuki Ventilfjäder Suzuki Lägg till en bevakning så meddelar vi dig så snart varan är i lager igen. Produkten är nu bevakad Vi meddelar dig så snart varan är i lager igen. E-postadress Lägg till bevakning Dina personuppgifter behandlas i enlighet med vår integritetspolicy. Ventilfjäder Suzuki Fjäder ventiler Suzuki DF 9,9 B EFI - DF 20 A EFI, 4-takt 4 st åtgår per motor Nr 10 i bild Fri frakt över 2000kr 30 dagars öppet köp Snabba leveranser Reservdelar Motortillbehör Oljor Kampanjer Sprängskisser Motorinformation