Fjäder växel Mercury
Fjäder växel Mercury
Lägg till en bevakning så meddelar vi dig så snart varan är i lager igen.
Fjäder växel Mercury
Fjäder växel Mercury
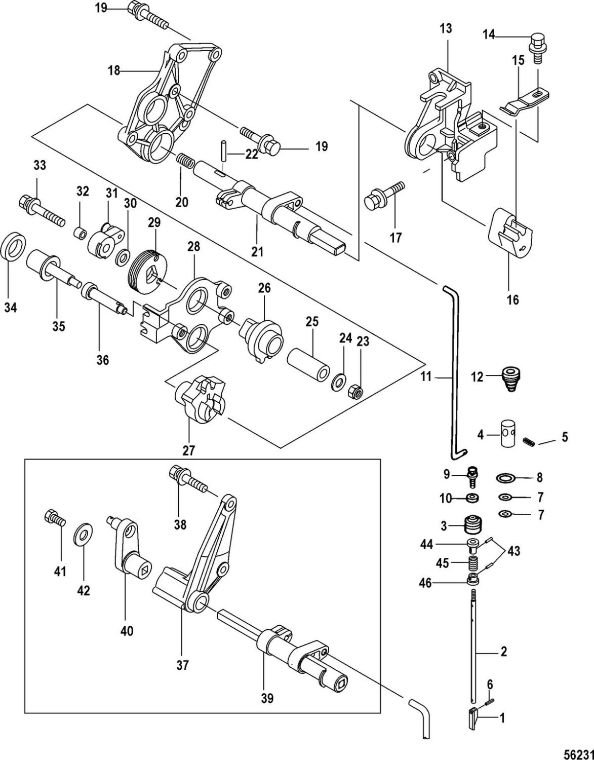
Fjäder Mercury F 8 - F 30 EFI hk, 4-takt (ej 10 - 20 EFI) Tohatsumodeller
Se sprängskiss för rätt del, sitter bl.a i växelarm
Nr 20 i bild
Fri frakt över 2000kr
30 dagars öppet köp
Snabba leveranser
