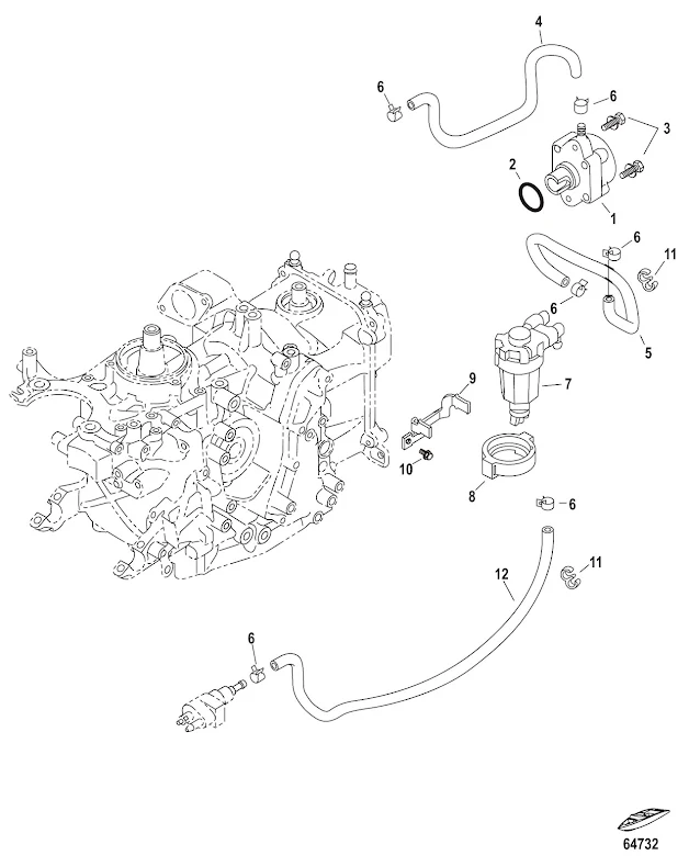
Reservdelar Motordelar Mercury Fäste bränslefilter Mercury Lägg till en bevakning så meddelar vi dig så snart varan är i lager igen. Produkten är nu bevakad Vi meddelar dig så snart varan är i lager igen. E-postadress Lägg till bevakning Dina personuppgifter behandlas i enlighet med vår integritetspolicy. Fäste bränslefilter Mercury Fäste för bränslefilter art 8M0134466 Nr 9 i bild Samma som Tohatsu art 3RS-02232-0 Fri frakt över 2000kr 30 dagars öppet köp Snabba leveranser Reservdelar Motortillbehör Oljor Kampanjer Sprängskisser Motorinformation