Fäste kylvattenrör Mercury
Lägg till en bevakning så meddelar vi dig så snart varan är i lager igen.
Fäste kylvattenrör Mercury
Fäste vattenrör Mercury Optimax 200 - 300 hk, flera modeller
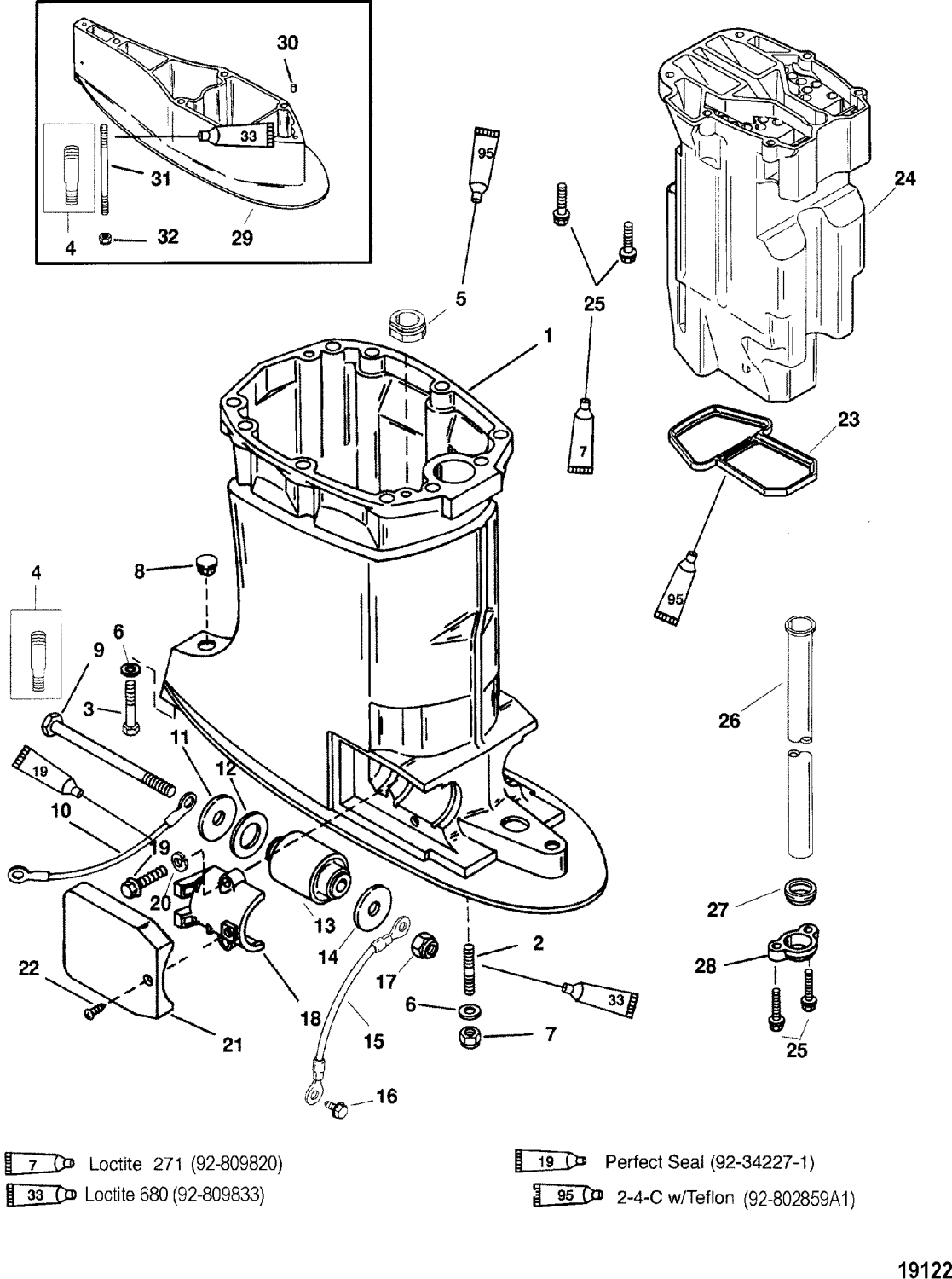
Se sprängskiss för rätt del
Nr 28 i bild
Ers. Mercury art 832939
Fri frakt över 2000kr
30 dagars öppet köp
Snabba leveranser
