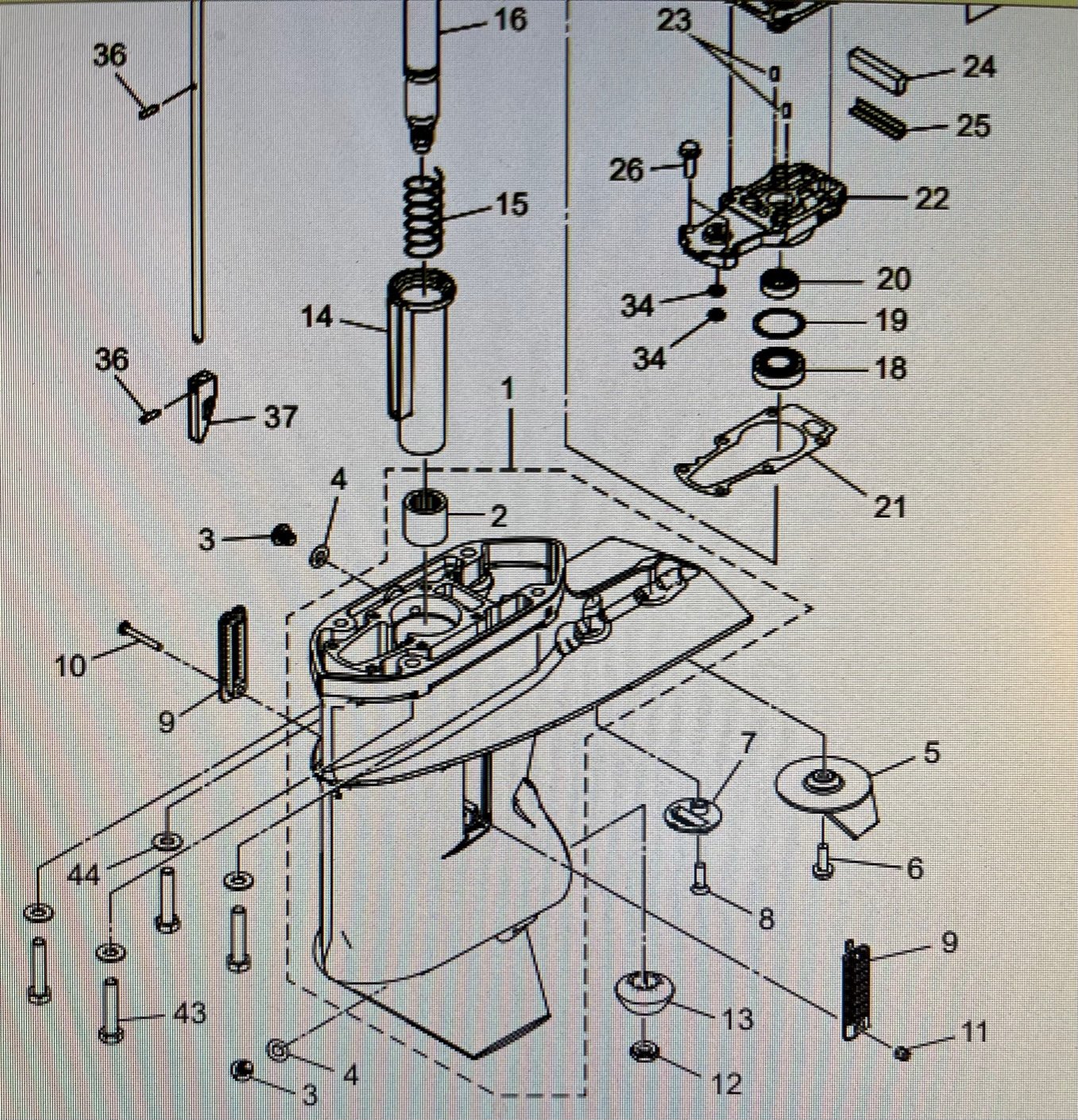
Reservdelar Växelhusdelar Tohatsu Drev Tohatsu Lägg till en bevakning så meddelar vi dig så snart varan är i lager igen. Produkten är nu bevakad Vi meddelar dig så snart varan är i lager igen. E-postadress Lägg till bevakning Dina personuppgifter behandlas i enlighet med vår integritetspolicy. Drev Tohatsu Pinjongdrev Tohatsu MFS 25 C + D - MFS 30 C + D, 4-takt 500 cc och 526 cc Nr 13 i bild Passar 2:17 huset, 12 kuggar Fri frakt över 2000kr 30 dagars öppet köp Snabba leveranser Reservdelar Motortillbehör Oljor Kampanjer Sprängskisser Motorinformation