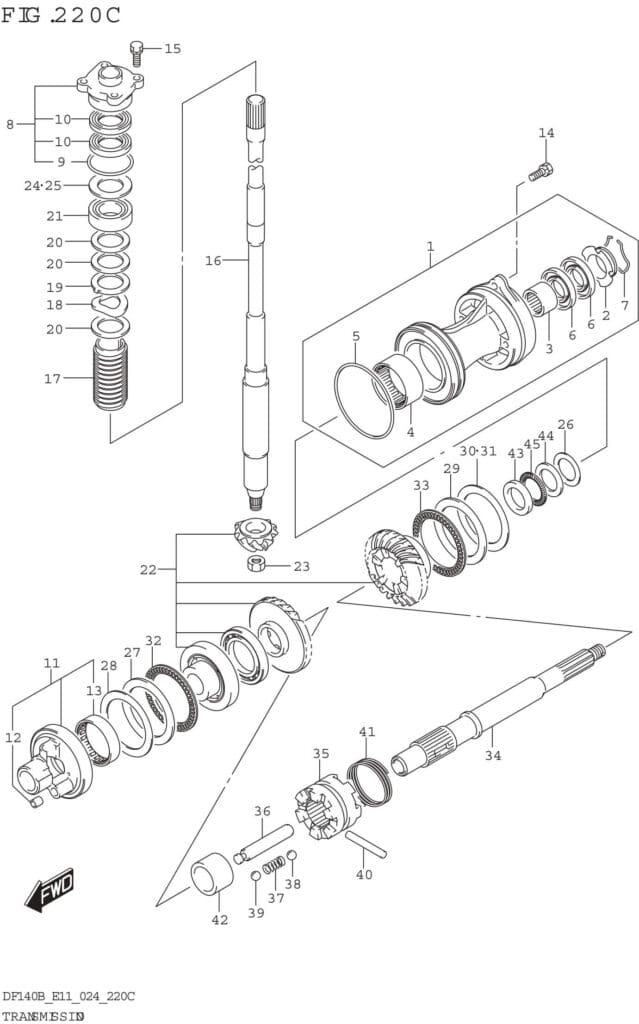
Reservdelar Växelhusdelar Suzuki Distans Suzuki Lägg till en bevakning så meddelar vi dig så snart varan är i lager igen. Produkten är nu bevakad Vi meddelar dig så snart varan är i lager igen. E-postadress Lägg till bevakning Dina personuppgifter behandlas i enlighet med vår integritetspolicy. Distans Suzuki Distans propelleraxel Suzuki DF 90 - DF 140 hk, 4-takt flera modeller Se sprängskiss för rätt del Nr 42 i bild Fri frakt över 2000kr 30 dagars öppet köp Snabba leveranser Reservdelar Motortillbehör Oljor Kampanjer Sprängskisser Motorinformation